Isuzu 4 Cylinder Engine Diagram / 36 Isuzu Trucks Service Manuals Free Download Truck Manual Wiring Diagrams Fault Codes Pdf Free Download : About 13% of these are machinery engines, 0% are forklifts, and 4% are machinery engine parts.. So in 1977, the production of isuzu florian started with a diesel engine, and in 1979 debuted the diesel version of gemini. It has also produced engines for general motors, renault, saab, honda, toyota and mazda. This manual covers the electronic control model common rail system with hp3/hp4 pump for the isuzu 4hk1/6hk1 type engines which are used to the characteristics of the engine cylinders have been further unified, contributing to improvements in combustion efficiency, reductions in exhaust gas. Nlr, nmr, nnr, npr, nps, nqr elf trucks starter and charge chains wiring diagram. F & g trucks controller area network (can) schematics.

Isuzu's first petrol engines were license built hillman units for the locally assembled minx, from 1953. They usually include engine images, displacement, dimensions and weight, essential bolt tightening torques, plus characteristics of the engine e.g. Our isuzu automotive repair manuals are split into five broad categories; Isuzu giga 6uz1@380hp 6 cylinder engine, double differential need full diagram. This manual covers the electronic control model common rail system with hp3/hp4 pump for the isuzu 4hk1/6hk1 type engines which are used to the characteristics of the engine cylinders have been further unified, contributing to improvements in combustion efficiency, reductions in exhaust gas.

Isuzu Engine Cooling Diagram Wiring Diagram Save Road Waiter A Road Waiter A Citisceramiche It
Isuzu Engine Cooling Diagram Wiring Diagram Save Road Waiter A Road Waiter A Citisceramiche It from www.2carpros.com
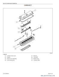
For most vehicles this means you'll filter through the various engine models and problems that are. Their release is one of the company's priority activities. Nlr, nmr, nnr, npr, nps, nqr elf trucks starter and charge chains wiring diagram. Isuzu diesel engine 4ja1 workshop. You can find the diagram for a 1992 isuzu rodeo at the isuzu website. Since 1996, the engines have started to install the common rail fuel. Camshaft and rocker arm diagram. Manuals for isuzu diesel engines.

Isuzu 4hk1, 6hk1 industrial diesel engine for jcb workshop manual pdf.

Alibaba.com offers 1,279 4 cylinder isuzu engine products. Isuzu diesel engine 4ja1 workshop. Their release is one of the company's priority activities. Correction system diagnosis replace sensor replace unit system diagnosis drain existing fuel and replace with. So in 1977, the production of isuzu florian started with a diesel engine, and in 1979 debuted the diesel version of gemini. About 13% of these are machinery engines, 0% are forklifts, and 4% are machinery engine parts. F & g trucks starting and charging system wiring diagram. Trading as isuzu is a japanese commercial vehicle and diesel engine manufacturing company headquartered in tokyo. Our isuzu automotive repair manuals are split into five broad categories; Isuzu 4hk1, 6hk1 industrial diesel engine for jcb workshop manual pdf. This manual covers the electronic control model common rail system with hp3/hp4 pump for the isuzu 4hk1/6hk1 type engines which are used to the characteristics of the engine cylinders have been further unified, contributing to improvements in combustion efficiency, reductions in exhaust gas. Repair or replace the injection pump timer. Clogged intake pipes engine control system malfunction foreign material in cylinders scored pistons and/or bearings.

Oil pan and dipstick diagram. Manuals for isuzu diesel engines. Repair or replace the injection pump timer. Isuzu 4hk1, 6hk1 industrial diesel engine for jcb workshop manual pdf. Our isuzu automotive repair manuals are split into five broad categories;

Isuzu 5 2 Engine Diagram Wiring Diagram Series Update A Series Update A Prevention Medoc Fr
Isuzu 5 2 Engine Diagram Wiring Diagram Series Update A Series Update A Prevention Medoc Fr from 4.bp.blogspot.com
They usually include engine images, displacement, dimensions and weight, essential bolt tightening torques, plus characteristics of the engine e.g. F & g trucks controller area network (can) schematics. Repair or replace the injection pump timer. For most vehicles this means you'll filter through the various engine models and problems that are. It features a robust cast iron engine block with dry type cylinder liners, a single overhead camshaft with 4 valves per cylinder. You can find the diagram for a 1992 isuzu rodeo at the isuzu website. Isuzu giga 6uz1@380hp 6 cylinder engine, double differential need full diagram. Its principal activity is the production, marketing and sale of isuzu commercial vehicles and diesel engines.

A wide variety of 4 cylinder isuzu engine options are available to you, such as applicable industries, warranty, and showroom location.

Their release is one of the company's priority activities. It features a robust cast iron engine block with dry type cylinder liners, a single overhead camshaft with 4 valves per cylinder. Where can you find an engine diagram of a geo metro 3 cylinder 1.0l engine. Manuals for isuzu diesel engines. Alibaba.com offers 1,279 4 cylinder isuzu engine products. You can find the diagram for a 1992 isuzu rodeo at the isuzu website. A wide variety of 4 cylinder isuzu engine options are available to you, such as applicable industries, warranty, and showroom location. Isuzu giga 6uz1@380hp 6 cylinder engine, double differential need full diagram. They usually include engine images, displacement, dimensions and weight, essential bolt tightening torques, plus characteristics of the engine e.g. Clogged intake pipes engine control system malfunction foreign material in cylinders scored pistons and/or bearings. Isuzu workshop manuals we get a lot of people coming to the site looking to get themselves a free isuzu haynes manual. Correction system diagnosis replace sensor replace unit system diagnosis drain existing fuel and replace with. So in 1977, the production of isuzu florian started with a diesel engine, and in 1979 debuted the diesel version of gemini.

It features a robust cast iron engine block with dry type cylinder liners, a single overhead camshaft with 4 valves per cylinder. Isuzu 4hk1, 6hk1 industrial diesel engine for jcb workshop manual pdf. Since 1996, the engines have started to install the common rail fuel. Our isuzu automotive repair manuals are split into five broad categories; Where can you find an engine diagram of a geo metro 3 cylinder 1.0l engine.

Isuzu 3lb1 Engine Diagram Wiring Diagram Solid Warehouse B Solid Warehouse B Leoracing It
Isuzu 3lb1 Engine Diagram Wiring Diagram Solid Warehouse B Solid Warehouse B Leoracing It from usermanual.wiki
You can find the diagram for a 1992 isuzu rodeo at the isuzu website. A wide variety of 4 cylinder isuzu engine options are available to you, such as applicable industries, warranty, and showroom location. Isuzu 5.2l 4hk1 diesel engine specs and service information. Nlr, nmr, nnr, npr, nps, nqr elf trucks starter and charge chains wiring diagram. Clogged intake pipes engine control system malfunction foreign material in cylinders scored pistons and/or bearings. Isuzu f & g series trucks wiring diagrams. It has also produced engines for general motors, renault, saab, honda, toyota and mazda. Our isuzu automotive repair manuals are split into five broad categories;

Isuzu 4hk1, 6hk1 industrial diesel engine for jcb workshop manual pdf.

Our isuzu automotive repair manuals are split into five broad categories; F & g trucks starting and charging system wiring diagram. About 13% of these are machinery engines, 0% are forklifts, and 4% are machinery engine parts. This manual covers the electronic control model common rail system with hp3/hp4 pump for the isuzu 4hk1/6hk1 type engines which are used to the characteristics of the engine cylinders have been further unified, contributing to improvements in combustion efficiency, reductions in exhaust gas. Oil pan and dipstick diagram. Trading as isuzu is a japanese commercial vehicle and diesel engine manufacturing company headquartered in tokyo. Isuzu f & g series trucks wiring diagrams. Their release is one of the company's priority activities. Since 1996, the engines have started to install the common rail fuel. Isuzu's first petrol engines were license built hillman units for the locally assembled minx, from 1953. Repair or replace the injection pump timer. Where can you find an engine diagram of a geo metro 3 cylinder 1.0l engine. Isuzu workshop manuals we get a lot of people coming to the site looking to get themselves a free isuzu haynes manual.

By